欢迎访问上海三振机电设备有限公司网站!
热线电话:021-62441191 | E-mail:423733993@qq.com
欢迎访问上海三振机电设备有限公司网站!
热线电话:021-62441191 | E-mail:423733993@qq.com
产品展示
联系我们


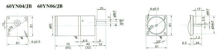
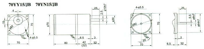
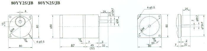
交流单相电容运转电动机,按其功能可分为:YY型异步电机和YN型可逆电机。输出功率从4W-90W。电机按不同要求配上减速器,调速器,制动器,可广泛使用于办公,包装,食品,纺织,印刷,邮政,医疗及各种机械装置中。YY型异步电机最适合单方向运转的场合,YN型可逆电机最适合频繁换向的运转场合。
| 型号 Type |
功率 W |
电压 V |
频率 Hz |
电流 A |
起动转矩 mN.m(g.cm) |
额定转矩 mN.m(g.cm) |
额定转速 r/min |
电容 uF/VAC |
工作状态 |
| 60YN04-2 | 4 | 22 | 50 | 0.10 | 32(320) | 32(320) | 1200 | 0.55/450 | 连续Cont |
| 60YN04-2 | 0.12 | 33(330) | 33(330) | 1200 | 0.8/450 | 30min | |||
| 60YN04-1 | 4 | 110 | 60 | 0.20 | 32(320) | 26(260) | 1450 | 2.5/250 | 连续Cont |
| 60YN04-1 | 0.25 | 33(330) | 27(270) | 1450 | 3/250 | 30min | |||
| 60YN06-2 | 6 | 220 | 50 | 0.14 | 40(400) | 41(410) | 1200 | 0.55/450 | 连续Cont |
| 60YN06-2 | 0.16 | 45(450) | 49(490) | 1200 | 0.8/450 | 30min | |||
| 60YN06-1 | 6 | 110 | 60 | 0.28 | 40(400) | 41(410) | 1450 | 2.5/250 | 连续Cont |
| 60YN06-1 | 0.32 | 45(450) | 49(490) | 1450 | 3.5/250 | 30min | |||
| 70YY15-2 | 15 | 220 | 50 | 0.22 | 75(750) | 125(1250) | 1200 | 1.2/450 | 连续Cont |
| 70YN15-2 | 0.25 | 80(800) | 130(1300) | 1200 | 1.5/450 | 30min | |||
| 70YN15-2 | 0.23 | 75(750) | 125(1250) | 1200 | 1.2/450 | 连续Cont | |||
| 70YY15-1 | 15 | 110 | 60 | 0.40 | 75(750) | 105(1050) | 1450 | 4.7/250 | 连续Cont |
| 70YN15-1 | 0.50 | 80(800) | 110(1100) | 1450 | 6/250 | 30min | |||
| 70YN15-1 | 0.40 | 75(750) | 105(1050) | 1450 | 4.7/250 | 连续Cont | |||
| 80YY25-2 | 25 | 220 | 50 | 0.30 | 120(1200) | 205(2050) | 1200 | 1.5/450 | 连续Cont |
| 80YY25-2 | 0.35 | 130(1300) | 220(2200) | 1200 | 2.0/450 | 30min | |||
| 80YY25-2 | 0.30 | 120(1200) | 205(2050) | 1200 | 1.5/450 | 连续Cont | |||
| 80YY25-1 | 25 | 110 | 60 | 0.60 | 120(1200) | 170(1700) | 1450 | 6/250 | 连续Cont |
| 80YY25-1 | 0.70 | 130(1300) | 180(1800) | 1450 | 8/250 | 30min | |||
| 80YY25-1 | 0.60 | 120(1200) | 170(1700) | 1450 | 6/250 | 连续Cont | |||
| 90YY40-2 | 40 | 220 | 50 | 0.45 | 220(2200) | 300(3000) | 1300 | 2.5/450 | 连续Cont |
| 90YY40-2 | 0.50 | 300(3000) | 350(3500) | 1300 | 3.5/450 | 30min | |||
| 90YY40-2 | 0.45 | 220(2200) | 300(3000) | 1300 | 2.5/450 | 连续Cont | |||
| 90YY60-2 | 60 | 220 | 50 | 0.55 | 350(3500) | 450(4500) | 1300 | 3.5/450 | 连续Cont |
| 90YN60-2 | 0.65 | 450(4500) | 450(4500) | 1300 | 5.0/450 | 30min | |||
| 90YN60-2 | 48 | 220 | 50 | 0.55 | 350(3500) | 350(3500) | 1300 | 3.5/450 | 连续Cont |
| 90YY60-1 | 60 | 110 | 60 | 1.1 | 300(3000) | 380(3800) | 1550 | 15/250 | 连续Cont |
| 90YN60-1 | 1.3 | 380(3800) | 380(3800) | 1550 | 25/250 | 30min | |||
| 90YN60-1 | 48 | 110 | 60 | 1.1 | 300(3000) | 350(3500) | 1500 | 15/250 | 连续Cont |
| 90YY90-2 | 90 | 220 | 50 | 1.0 | 500(5000) | 675(6750) | 1300 | 5.5/450 | 连续Cont |
| 90YN90-2 | 1.2 | 500(5000) | 675(6750) | 1300 | 7/450 | 30min | |||
| 90YN90-2 | 80 | 220 | 50 | 1.0 | 500(5000) | 600(6000) | 1300 | 5.5/450 | 连续Cont |
| 90YY90-1 | 90 | 110 | 60 | 2.0 | 500(5000) | 570(5700) | 1550 | 25/250 | 连续Cont |
| 90YN90-2 | 2.4 | 675(6750) | 570(5700) | 1550 | 30/250 | 30min | |||
| 90YN90-1 | 80 | 110 | 60 | 2.0 | 500(5000) | 500(5000) | 1550 | 250/250 | 连续Cont |
| 型号转速 r/min |
500 | 416 | 300 | 250 | 200 | 166 | 120 | 100 | 83 | 60 | 50 | 41 | 30 | 25 | 20 | 16 | 15 | 12.5 | 10 | 8.3 |
| 3 | 3.6 | 5 | 6 | 7.5 | 9 | 12.5 | 15 | 18 | 25 | 30 | 36 | 50 | 60 | 75 | 90 | 100 | 120 | 150 | 180 | |
| 60YN04-2/06-2 /60JB |
0.08 0.8 0.1 1 |
0.09 0.9 0.12 1.2 |
0.13 1.3 0.17 1.7 |
0.16 1.6 0.2 2 |
0.19 1.9 0.25 2.5 |
0.23 2.3 0.3 3 |
0.33 3.3 0.42 4.2 |
0.35 3.5 0.45 4.5 |
0.42 4.2 0.54 5.4 |
0.59 5.9 0.75 7.5 |
0.7 7.0 0.9 9 |
0.84 8.4 1.1 11 |
1.1 11 1.4 14 |
1.3 13 1.6 16 |
1.6 16 2 2 |
1.7 17 2.2 22 |
1.9 19 2.4 24 |
2.3 23 2.5 25 |
2.5 25 2.5 25 |
2.5 25 2.5 25 |
| 70YY15-2/YN15-2/70JB | 0.3 3 |
0.36 3.6 |
0.51 5.1 |
0.61 6.1 |
0.76 7.6 |
0.91 9.1 |
1.27 12.7 |
1.52 15.2 |
1.64 16.4 |
2.28 22.8 |
2.73 27.3 |
3.29 32.9 |
4.13 41.3 |
4.95 49.5 |
5 50 |
5 50 |
5 50 |
5 50 |
5 50 |
5 50 |
| 80YY25-2/YN25-2/80JB | 0.5 5 |
0.6 6 |
0.83 8.3 |
1 10 |
1.25 12.5 |
1.49 14.9 |
2.08 20.8 |
2.49 24.9 |
2.69 26.9 |
3.74 37.4 |
4.49 44.9 |
5.39 53.9 |
6.77 67.7 |
8 80 |
8 80 |
8 80 |
8 80 |
8 80 |
8 80 |
8 80 |
| 90YY40-2/YN40-2/90JBA | 0.73 7.3 |
0.87 8.7 |
1.22 12.2 |
1.46 14.6 |
1.82 18.2 |
2.19 21.9 |
3.04 30.4 |
3.65 36.5 |
4.37 43.7 |
5.48 54.8 |
6.57 65.7 |
7.88 78.8 |
10 100 |
10 100 |
10 100 |
10 100 |
10 100 |
10 100 |
10 100 |
10 100 |
| 90YY60-2/90JBB | 1.1 11 |
1.3 13 |
1.8 18 |
2.2 22 |
2.7 27 |
3.3 33 |
4.6 46 |
5.5 55 |
6.6 66 |
8.2 82 |
9.9 99 |
11.8 118 |
14.9 149 |
17.8 178 |
20 200 |
20 200 |
20 200 |
20 200 |
20 200 |
20 200 |
| 90YN60-2/90JBB | 0.9 9 |
1 10 |
1.4 14 |
1.7 17 |
2.1 21 |
2.6 26 |
3.5 35 |
4.3 43 |
5.1 51 |
6.4 64 |
7.7 77 |
9.2 92 |
11.6 116 |
13.7 137 |
17.3 173 |
20 200 |
20 200 |
20 200 |
20 200 |
20 200 |
| 90YY90-2/90JBC | 1.64 16.4 |
1.97 19.7 |
2.73 27.3 |
3.28 32.8 |
4.10 41.0 |
4.9 19.0 |
6.2 62 |
7.39 73.9 |
8.87 88.7 |
11.1 111 |
13.4 134 |
16 160 |
20 200 |
20 200 |
20 200 |
20 200 |
20 200 |
20 200 |
20 200 |
20 200 |
| 90YN90-2/90JBC | 1.5 15 |
1.7 17 |
2.4 24 |
2.9 29 |
3.6 36 |
4.4 44 |
5.5 55 |
6.6 66 |
7.9 79 |
9.9 99 |
11.9 119 |
14.3 143 |
19.8 198 |
20 200 |
20 200 |
20 200 |
20 200 |
20 200 |
20 200 |
20 200 |








联系我们
网站地图