欢迎访问上海三振机电设备有限公司网站!

热线电话:021-62441191 | E-mail:423733993@qq.com

联系我们

上海三振机电设备有限公司
地址:上海市千阳路271弄9号4楼
邮编:200333
手机:13003139141
传真:86-21-62441191
传真:86-21-62441191
邮箱:423733993@qq.com
联系人:陈先生

产品展示

您现在的位置:首页>> 产品展示 >> 步进驱动器

TS-20HC01步进电机驱动器

TS-20HC01步进电机驱动器TS20HC01特性:
(1)工作环境:
1、 输入AC220V±2%/f 50Hz
2、 环境温度-10~40℃
3、 无辐射,无腐蚀性气体,通风良好。
(2)配置电源为20VDC/50W开关电源,无需另接直流电源。
(3)步进驱动模块为TS32ZA03,PWM堑波模块。
其主要性能如下:
1、 适合二、四相混合式步进电机,永磁定进电机和同步电机。
2、 输入VDC:8V~40VDC,输出为0.5A~3.0A电流连续可调。
3、 输入&40V过压保护,输出过流保护,短路保护。
4、 采用四相四拍,双极驱动方式。
5、 方便的实现脱机及正反转功能。
6、 机内调频脉冲输出。
TS-20HC01步进电机驱动器7、 外输入CP隔离1.8度时200个脉冲为一圈,可确认的控制电机旋转角度。
8、 无脉冲时自动电流减半并锁定功能,以减小电机静态温升。
(4)可配置按用户要求任意齿轮减速比之四位数寿终正寝显示片机组件,最终显示值可为频率,转/分,转/小时,线速 度,位移量和流量等。
(5)调速范围:(按实际要求选定)
例:电机为1.8度2相混合式步进电机,电阻5.1Ω,电流1.0A,齿轮减速比1:25,电机出轴转速约1rpm/min~100rpm/minCP步进脉冲频率3.33HZ~333.3HZ

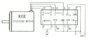
二、接线注意事项:
   1、 接机后接线图依次接好电源及电机
     ① 脚机内脉冲输出(输出幅值高电平+5V);
     ② 脚低电平时,电机停转,并锁定(对应K2)
     TS-20HC01步进电机驱动器③ ⑦脚GND端;
     ④ 脚低电平时电机反转,悬空正转(对应K1)
     ⑤ ⑥脚输入AC220V;
  三、安装(单位:mm)
   1、 安装方式:面板仪表壳安装(附安装架)。
   2、 外形尺寸:120×60×140 开窗尺寸:115×55

四、注意事项:
   1、 如长时间不使用时,应关闭电源。
   2、 不可私自拆卸及错误操作,所造成的损坏及不在保修范围内。

联系我们

版权所有:上海三振机电设备有限公司 | 地址:上海市千阳路271弄9号4楼 | 邮编:200333
联系人:陈先生 | 手机:13003139141 | 传真:86-21-62441191 |邮箱:423733993@qq.com

沪ICP备05063207号-1